Tel.: +86 13358378970
E-mail: sales6@saulplc.com
PRODUCT DETAIL
05701-A-0301 HONEYWELL SINGLE CHANNEL CONTROL
Product information:
Brand:Honeywell Model number:05701-A-0301
Condition:new Warranty: 12 month
Lead Time:3-day working da Country of origin: United States
Price: Please contact us Product weight:0.17kg
HS: 8517623990
Product technial information:

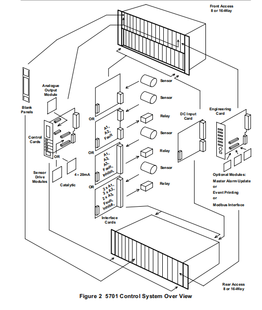
The 5701 Series Control System is a microprocessor based system
which displays the reading and status of connected gas detectors. The
system provides complex alarm handling facilities with a full
maintenance capability.
A rack system is fitted with a number of single channel control cards
each with an associated field/ relay card which provides the necessary
sensor input and optional relay output connections. Simple alarm
handling and operation is provided by each channel control card.
Complex alarm handling is achieved by communication between a
specified number of control cards via the backplane of the rack.
An engineering card is fitted to each rack and provides control of the
rack backplane communications, control card interrogation and
facilitates maintenance. In addition, optional modules fitted to the
engineering card can provide additional system outputs.
System power supplies, auxiliary power supplies and battery back up
systems are all normally connected to the rack via a DC Input Card,
however, for high integrity system installations power supplies can be
connected directly to each individual control card.
Delivery information:
Shipping Port: Xiamen, China
Payment: Bank of Chicago, Bank of Singapore
Transport: In Stock Ready for Shipment via DHL, TNT, FEDEX, UPS, ARAMEX and etc
Express cooperation: fedex, DHL, UPS and your express account
Service: Professional Sales provides 24 hours /7 days online service
Welcome, thank you for your trust, The seller has more than $1526000 worth of industrial control products inventory.hope we can help you solve your problem!!! We Can transport to the world!!!
Contact information:
Contact person:Luna Chen
Email Address::sales6@saulplc.com
WhatApp: +86 13358378970
We look forward to your inquiry and will get back to you as soon as possible.

Related models:
| HONEYWELL | 51304441-175 |
| HONEYWELL | 51107137-117 |
| HONEYWELL | 51196654-100 |
| HONEYWELL | 51196653-100 |
| HONEYWELL | 51400712-100 |
| HONEYWELL | 51204166-175 |
| HONEYWELL | 51401201-100 |
| HONEYWELL | 51401577 |
| HONEYWELL | 4DP7APXDH111 |
| HONEYWELL | 30750771-001 |
| HONEYWELL | 30731832-001 |
| HONEYWELL | 51305072-400 |
| HONEYWELL | 51107954-100 |
| HONEYWELL | 30750218-007 |
| HONEYWELL | 4DP7APXDH244 |
| HONEYWELL | 51304540-200 |
| HONEYWELL | 51107593-100 |
| HONEYWELL | 51304439-175 |
| HONEYWELL | 51304439-100 |
| HONEYWELL | 51108899-200 |
| HONEYWELL | 51107595-100 |
| HONEYWELL | 82408667-005 |
| HONEYWELL | 4DP7APXOD-411 |
| HONEYWELL | 51304156-100 |
| HONEYWELL | 51304472-100 |
| HONEYWELL | 51401551-201 |
| HONEYWELL | 51402615-200 |
| HONEYWELL | 51305406-100 |
| HONEYWELL | 51305390-300 |
| HONEYWELL | 51305390-400 |
| HONEYWELL | 51306154-100 |
| HONEYWELL | 81407381-001 |
| HONEYWELL | 51305437-100 |
| HONEYWELL | 30735857-005 |
| HONEYWELL | 30731832-002 |
| HONEYWELL | 51403090-300 |
| HONEYWELL | 51403152-100 |
| HONEYWELL | 51403117-100 |
| HONEYWELL | 51401547-100 |
| HONEYWELL | 30731565-002 |
| HONEYWELL | 4DP7APCFA107 |
| HONEYWELL | 51401570-100 |
| HONEYWELL | 51195066-200 |
| HONEYWELL | 51301877-100 |
| HONEYWELL | 51301874-100 |
Navigation
Add.: 9D, 9th Floor, Huguang Building, Hubin West Road, Siming District, Xiamen City, Fujian Province, China
Tel.: +86 13358378970
Mob.: +86 13358378970
E-mail: sales6@saulplc.com
WhatsApp: +86 13358378970
Wechat: +86 13358378970